My Cart $-.--
Shop by Category
Quick Order
0
Home EIFS & Stucco Trims & Accessories 2 1/2 in x 10 ft Trim-Tex STARTER TRAC w/ Weep Holes

2 1/2 in x 10 ft Trim-Tex STARTER TRAC w/ Weep Holes

PART PCPSTWP-25
MANUFACTURER PART # STWP-25
Calculating price...
QUANTITY

About this item

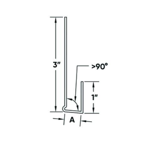
Designed for use at the base of walls or around doors and windows, the Starter TRAC™ with Weep Holes helps water exit the system efficiently while giving you a strong bond between the base coat and foam. With built-in grooves and perforations for a better hold, this bead is a dependable choice for exposed edges that need both moisture control and durability.

  • A = 2.5"
Features
  • Manage moisture
  • Premium materials

15 pcs/ctn

There are currently no resources for this product.

For California Residents:

WARNING: Cancer and Reproductive Harm - www.P65Warnings.ca.gov